Stainless steel size head

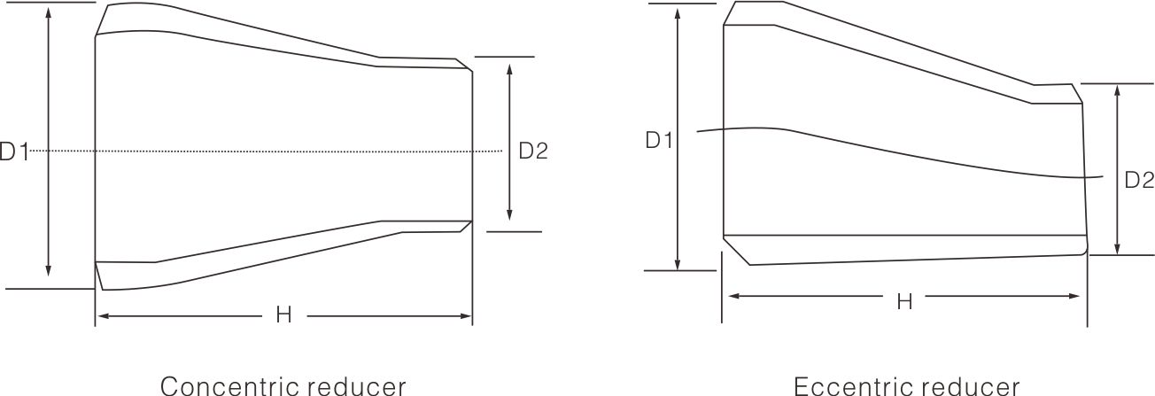
Stainless steel size head also called big small head. Any of several
chemical pipe fittings used to connect two different pipe diameters. It
is also divided into concentric large and small head and eccentric size
head two kinds. Materials include stainless steel size head
(304304l316316l), alloy steel, carbon steel size head, size head 20
steel Q235, Q345, etc.










