联系电话:
0523-8733 8088
产品详情
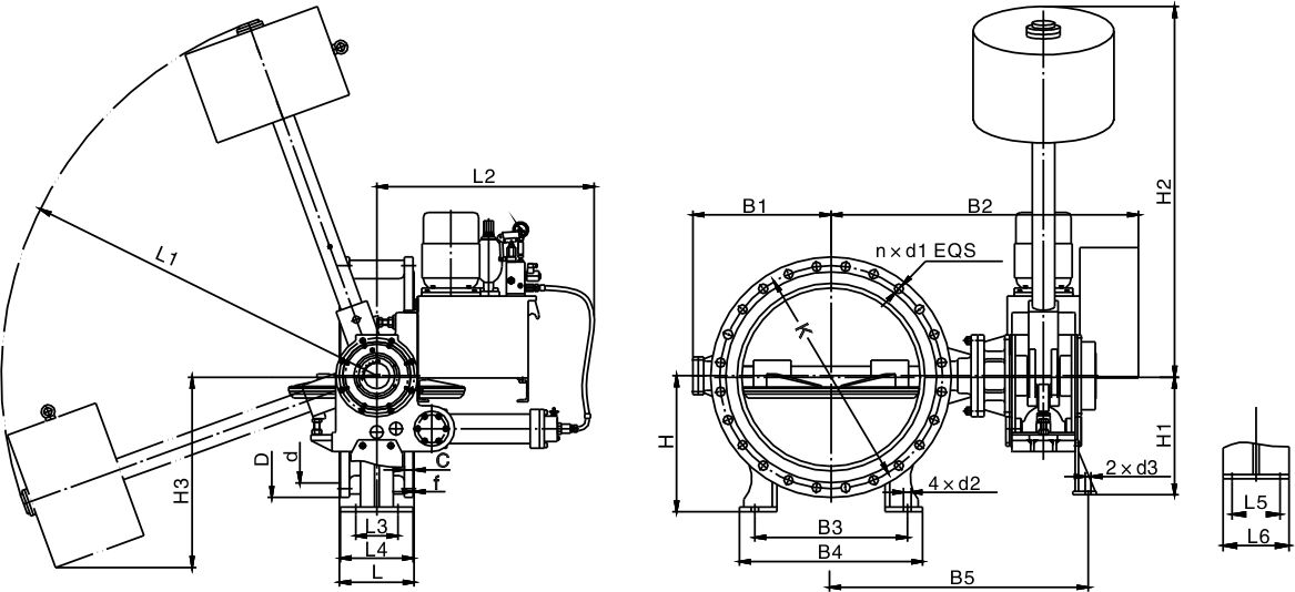
HD7S41X/H液控缓闭止回蝶阀是目前国内外较新型的管路控制设备,具有流阻系数小、智能化程度高、功能齐全、性能稳定可靠等优点。主要安装于水电站水轮机进口,用作水轮机进口阀;或安装于水利、电力、给排水等各类泵站的水泵出口,替代止回阀和闸阀的功能。工作时,阀门与管道主机配合,按照水力过渡过程原理,通过预设的启闭程序,有效消除管路水锤,实现管路的可靠截止,起到保护管路系统安全的作用。


HD7S41X/H液控缓闭止回蝶阀是目前国内外较新型的管路控制设备,具有流阻系数小、智能化程度高、功能齐全、性能稳定可靠等优点。主要安装于水电站水轮机进口,用作水轮机进口阀;或安装于水利、电力、给排水等各类泵站的水泵出口,替代止回阀和闸阀的功能。工作时,阀门与管道主机配合,按照水力过渡过程原理,通过预设的启闭程序,有效消除管路水锤,实现管路的可靠截止,起到保护管路系统安全的作用。



苏公网安备 32128302001489号