联系电话:
0523-8733 8088
产品详情
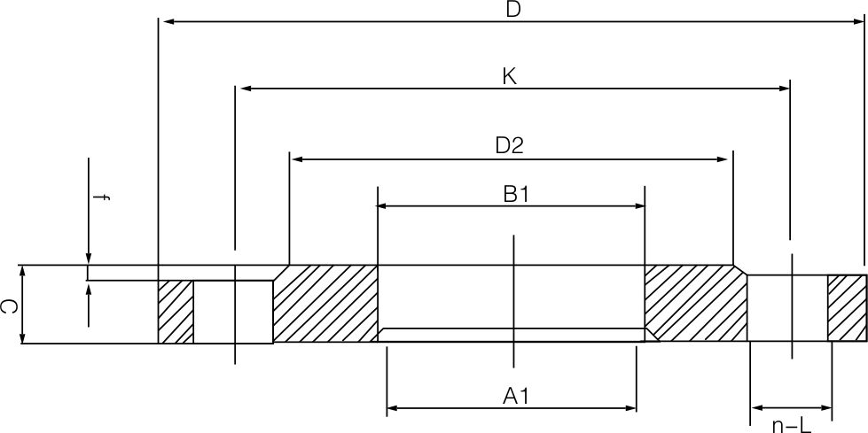
碳钢平焊法兰是指与容器或管道采用角焊缝连接的一种法兰。属任意式法兰。设计时根据法兰环与直筒段连接的整体性程度,分别按整体式或松式法兰校核。法兰环有带颈和不带颈两种。与带颈对焊法兰相比,平焊法兰结构简单,用材省,但刚度及密封性不如带颈对焊法兰。广泛应用于中低压容器和管道的连接。碳钢平焊法兰适用于压力等级比较低,压力波动、振动及震荡均不严重的管道系统中。



碳钢平焊法兰是指与容器或管道采用角焊缝连接的一种法兰。属任意式法兰。设计时根据法兰环与直筒段连接的整体性程度,分别按整体式或松式法兰校核。法兰环有带颈和不带颈两种。与带颈对焊法兰相比,平焊法兰结构简单,用材省,但刚度及密封性不如带颈对焊法兰。广泛应用于中低压容器和管道的连接。碳钢平焊法兰适用于压力等级比较低,压力波动、振动及震荡均不严重的管道系统中。




苏公网安备 32128302001489号