联系电话:
0523-8733 8088
产品详情
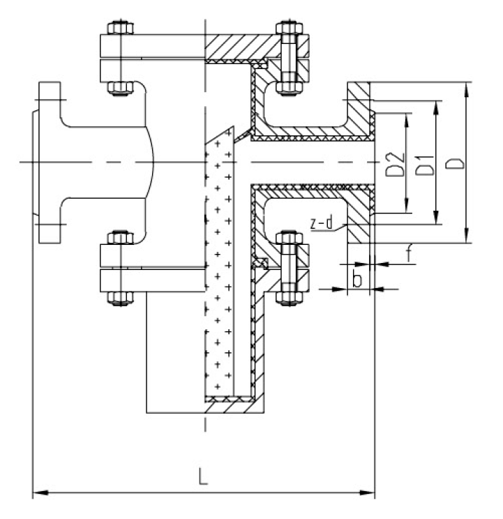
过滤器是输送介质的管道系统不可缺少的一种装置,其作用是过滤介质中的机械杂质,可以对污水中的铁锈、沙粒等进行过滤以保护设备管道上的配件免受磨损和堵塞衬氟过滤器是用来清除腐蚀性介质中的杂质,保护泵、阀门及其它设备的正常使用。一般通水网为 20-60目/cm2,通气网为40-100目/cm2通油网为100-480目/cm2。可根据介质相应配置由于过滤器内壁及滤网均采用耐腐蚀性极强的四氟制成,因此该产品被广泛应用于各种腐蚀性管路中。


过滤器是输送介质的管道系统不可缺少的一种装置,其作用是过滤介质中的机械杂质,可以对污水中的铁锈、沙粒等进行过滤以保护设备管道上的配件免受磨损和堵塞衬氟过滤器是用来清除腐蚀性介质中的杂质,保护泵、阀门及其它设备的正常使用。一般通水网为 20-60目/cm2,通气网为40-100目/cm2通油网为100-480目/cm2。可根据介质相应配置由于过滤器内壁及滤网均采用耐腐蚀性极强的四氟制成,因此该产品被广泛应用于各种腐蚀性管路中。



苏公网安备 32128302001489号