联系电话:
0523-8733 8088
产品详情
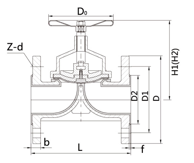
衬氟隔膜阀是一种特殊形式的截断阀,出现于20世纪20年代它的启闭件是一块用软质材料制成的隔膜,把阀体内腔与阀盖内腔及驱动部件隔开,故称隔膜阀最突出特点是隔膜把下部阀体内腔与上部阀盖内腔隔开,使位于隔膜上方的阀杆、阀瓣等零件不受介质腐蚀,省去了填料密封结构且不会产生介质外漏。是目前世界最理想的防腐材料,已广泛用于旋转成型的大型设备和管道件内衬。



衬氟隔膜阀是一种特殊形式的截断阀,出现于20世纪20年代它的启闭件是一块用软质材料制成的隔膜,把阀体内腔与阀盖内腔及驱动部件隔开,故称隔膜阀最突出特点是隔膜把下部阀体内腔与上部阀盖内腔隔开,使位于隔膜上方的阀杆、阀瓣等零件不受介质腐蚀,省去了填料密封结构且不会产生介质外漏。是目前世界最理想的防腐材料,已广泛用于旋转成型的大型设备和管道件内衬。




苏公网安备 32128302001489号