Tel
0523-8733 8088
Carbon steel reducer tee
Product overview
Forming process: 1/2 "-16" internal expansion cold processing forming; 18 "-48" hot press molding.
Size: 1/2"-24"(DN15-DN1000)
Standards: GB/T12459, GB/T13401, SH3408, SH3409, HG/T21635, HG/T21631, ASMEB16.9, MSSSP-43, DIN2615, JISB2313
Wall thickness: SCH5S-SCH160
Material: SF2225, SF2205, SF2507, alloy steel, carbon steel, low temperature steel, 304,304 L, 316L, etc
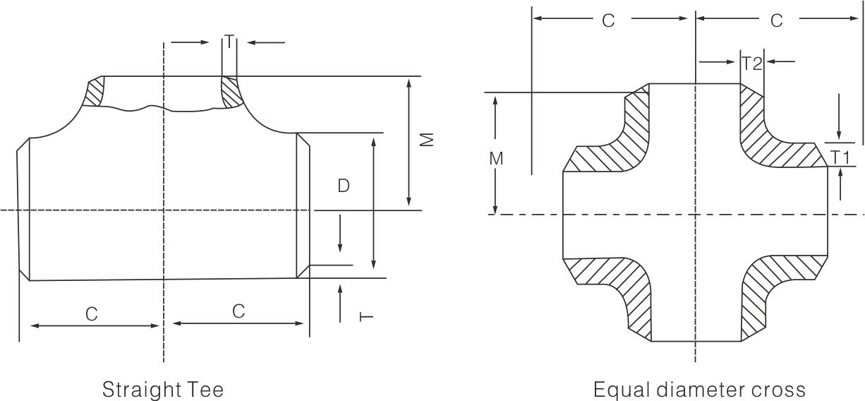
Tee also known as pipe fittings tee or tee pipe fittings, tee joint, etc. Used mainly to change the direction of the fluid, used in the main pipe branch. It can be classified by pipe size. Generally made of carbon steel, cast steel, alloy steel, stainless steel, copper, aluminum alloy, plastic, argon, pvc and other materials.






