联系电话:
0523-8733 8088
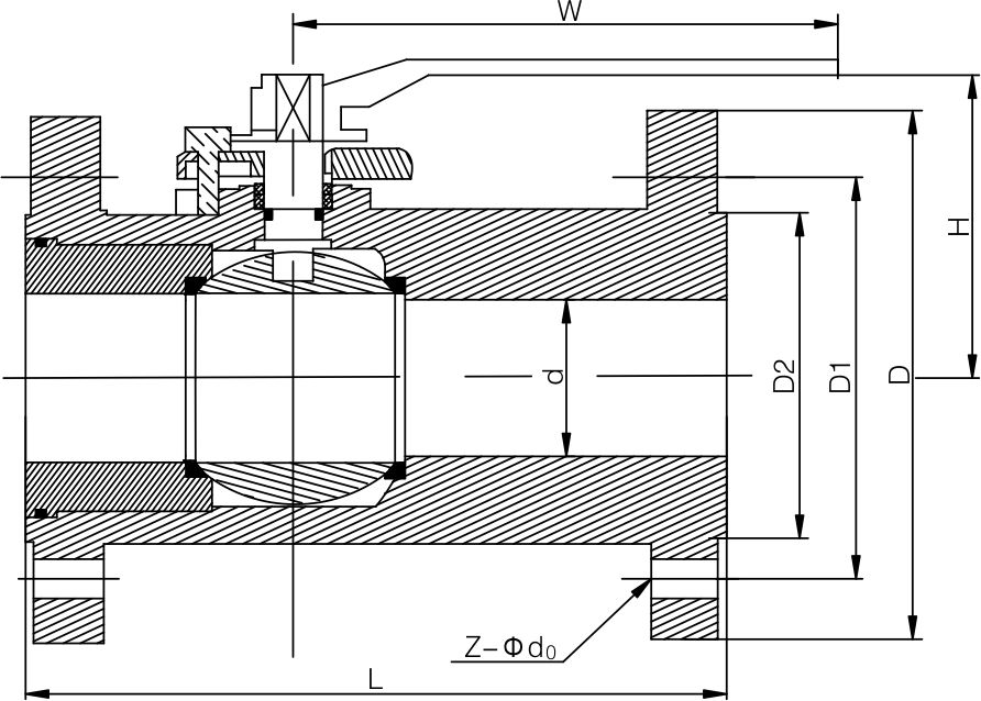
产品详情
1、阀门采用整体铸造,杜绝中部外漏,阀盖采用六角式,装配紧实,配套法兰密封圈,杜绝外漏。
2、防火结构:当发生火灾时,球体随阀座的介质力,使球体紧密接触通道口处的金属唇,达到防火硬密封功能。
3、防静电结构:不锈钢钢珠受强力弹簧加载,确保球体,阀杆和壳体三者通路,产生的静电畅通输出。
4、防阀杆飞出结构:阀杆一体台阶,确保阀杆受压不飞出。
5、阀杆五级密封结构:第一级为倒密封垫片,第二级为VITON或者全氟迷O型圈,第三级为VITON或者全氮迷O型圈,第四级为V型PTFE、增强密封、柔性石墨、ISO15848填料密封,第五级密封为碟簧垫,在温度和压力瞬间变化,释放瞬间产生的膨胀和压力值,可以自动补偿,从而达到良好的密封效果,保证阀杆的密封。
6、阀座材料可以多种选择,常用日本大金RPTFE,TFM1600,TFM4215,耐高温KFM,PEEK,耐低温PCTFE等。
7、阀座结构为:弧面密封具有刮刀效果,密封更宽,密封效果更显著。带泄压口,开关更轻巧。







